flange ball valve dimensions
Giới thiệu về flange ball valve dimensions
Trong ngành công nghiệp, van bi mặt bích là một trong những thiết bị không thể thiếu, đóng vai trò quan trọng trong việc điều tiết dòng chảy của chất lỏng và khí. Với khả năng điều chỉnh dòng chảy một cách chính xác và hiệu quả, van bi mặt bích đã trở thành lựa chọn hàng đầu cho nhiều ứng dụng công nghiệp. Bài viết này sẽ cung cấp cho bạn cái nhìn tổng quan về kích thước van bi mặt bích, từ đó giúp bạn có thể lựa chọn sản phẩm phù hợp với nhu cầu của mình. Chúng ta sẽ đi sâu vào các khía cạnh khác nhau của van bi mặt bích, bao gồm cấu tạo, nguyên lý hoạt động và các tiêu chuẩn kích thước thông dụng. Hãy cùng khám phá chi tiết về flange ball valve dimensions để hiểu rõ hơn về sản phẩm này.

Van bi là gì?
Van bi là một loại van sử dụng một quả cầu rỗng, đục lỗ và xoay để điều khiển dòng chảy qua nó. Khi lỗ của quả cầu thẳng hàng với dòng chảy, van sẽ mở; khi lỗ vuông góc với dòng chảy, van sẽ đóng. Van bi có ưu điểm là đóng mở nhanh chóng, kín khít và ít bị rò rỉ. Chúng thường được sử dụng trong các hệ thống yêu cầu đóng mở nhanh và thường xuyên.
Ứng dụng của van bi mặt bích trong công nghiệp
Van bi mặt bích được ứng dụng rộng rãi trong nhiều ngành công nghiệp như dầu khí, hóa chất, thực phẩm, và xử lý nước. Nhờ khả năng chịu áp suất cao và chống ăn mòn tốt, chúng thích hợp cho các môi trường làm việc khắc nghiệt. Ngoài ra, van bi mặt bích còn dễ dàng lắp đặt và bảo trì, giúp tiết kiệm thời gian và chi phí cho doanh nghiệp.
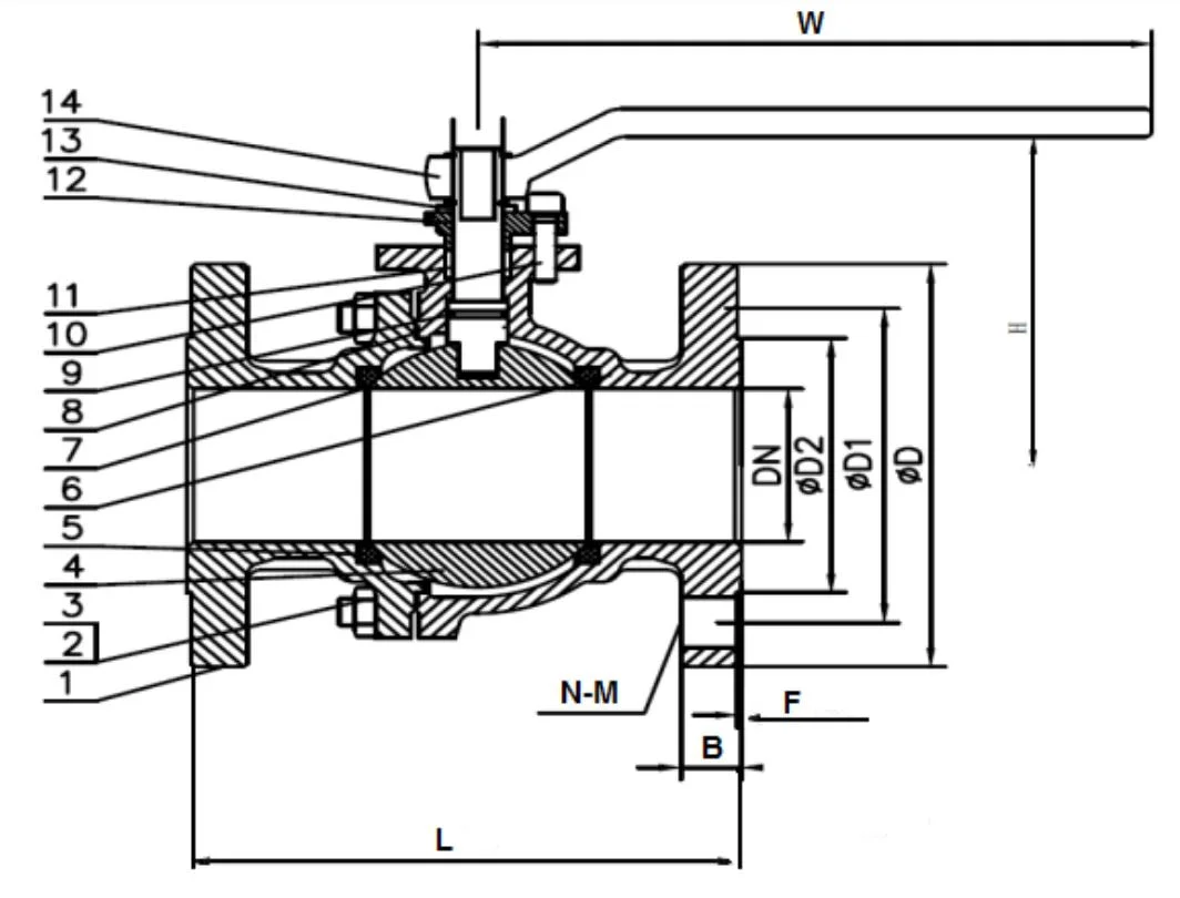
Cấu tạo của van bi mặt bích
Các thành phần chính flange ball valve dimensions
Van bi mặt bích bao gồm nhiều thành phần chính như thân van, quả cầu, trục van, và bộ phận điều khiển. Thân van thường được làm từ các vật liệu như thép không gỉ, gang, hoặc đồng để đảm bảo độ bền và khả năng chịu áp lực tốt. Quả cầu là phần quan trọng nhất, được thiết kế để xoay và điều khiển dòng chảy. Trục van kết nối quả cầu với bộ phận điều khiển, cho phép người vận hành dễ dàng điều chỉnh van.
Nguyên lý hoạt động của van bi mặt bích
Nguyên lý hoạt động của van bi mặt bích khá đơn giản. Khi trục van được xoay, quả cầu bên trong van cũng xoay theo. Khi lỗ của quả cầu thẳng hàng với dòng chảy, chất lỏng hoặc khí có thể chảy qua van một cách dễ dàng. Ngược lại, khi lỗ vuông góc với dòng chảy, van sẽ đóng và ngăn không cho chất lỏng hoặc khí đi qua. Điều này giúp kiểm soát dòng chảy một cách hiệu quả và an toàn.

Hãy liên hệ với chúng tôi để tìm hiểu thêm về sản phẩm phù hợp với nhu cầu của bạn.
Kích thước van bi mặt bích
Các tiêu chuẩn kích thước thông dụng
Kích thước của van bi mặt bích thường được sản xuất theo các tiêu chuẩn quốc tế như ANSI, DIN, hoặc JIS. Mỗi tiêu chuẩn sẽ có các quy định cụ thể về kích thước và áp suất làm việc của van. Việc tuân thủ các tiêu chuẩn này giúp đảm bảo van hoạt động hiệu quả và an toàn trong các hệ thống công nghiệp. Chọn đúng kích thước van bi mặt bích theo tiêu chuẩn sẽ giúp hệ thống của bạn hoạt động ổn định và bền bỉ hơn.
Phân biệt kích thước theo tiêu chuẩn quốc tế
Để chọn đúng kích thước van bi mặt bích, bạn cần hiểu rõ về các tiêu chuẩn quốc tế. Ví dụ, tiêu chuẩn ANSI thường được sử dụng ở Mỹ, trong khi tiêu chuẩn DIN phổ biến ở châu Âu. Mỗi tiêu chuẩn có các quy định khác nhau về kích thước mặt bích, áp suất và nhiệt độ hoạt động. Hiểu rõ sự khác biệt này sẽ giúp bạn lựa chọn sản phẩm phù hợp với yêu cầu kỹ thuật của hệ thống.
Lợi ích của việc sử dụng van bi mặt bích chuẩn kích thước
Sử dụng van bi mặt bích đúng kích thước không chỉ giúp hệ thống hoạt động hiệu quả mà còn kéo dài tuổi thọ của thiết bị. Các van bi chuẩn kích thước đảm bảo rằng dòng chảy không bị cản trở, giảm thiểu nguy cơ hư hỏng và rò rỉ. Hơn nữa, việc lắp đặt và bảo trì cũng trở nên dễ dàng hơn, tiết kiệm thời gian và chi phí cho doanh nghiệp. Điều này đặc biệt quan trọng trong các ngành công nghiệp cần độ chính xác cao và sự ổn định trong vận hành.
Rất mong các bạn quan tâm và theo dõi thepkhonggi.vn để cập nhật thông tin mới nhất về flange ball valve dimensions!