Din 2633 flange dimensions
Din 2633 flange dimensions
Khi nói đến các tiêu chuẩn mặt bích trong ngành công nghiệp, tiêu chuẩn DIN 2633 là một trong những tiêu chuẩn quan trọng và phổ biến nhất. Mặt bích DIN 2633 không chỉ đảm bảo về chất lượng mà còn mang lại hiệu quả cao trong các ứng dụng công nghiệp. Bài viết này sẽ giới thiệu chi tiết về kích thước mặt bích DIN 2633, lịch sử phát triển, đặc điểm và lợi ích của việc sử dụng tiêu chuẩn này. Qua đó, bạn sẽ có cái nhìn tổng quan và hiểu rõ hơn về tầm quan trọng của mặt bích DIN 2633 trong ngành công nghiệp hiện nay.

Lịch sử ra đời và phát triển Din 2633 flange dimensions
Tiêu chuẩn DIN 2633 được phát triển bởi Viện Tiêu chuẩn Đức (Deutsches Institut für Normung - DIN), một tổ chức hàng đầu trong việc phát triển các tiêu chuẩn công nghiệp tại Đức. Tiêu chuẩn này ra đời nhằm đáp ứng nhu cầu ngày càng cao của ngành công nghiệp về các sản phẩm đạt chuẩn chất lượng và an toàn. Qua nhiều năm, tiêu chuẩn DIN 2633 đã không ngừng được cải tiến và phát triển để phù hợp với các yêu cầu kỹ thuật và công nghệ mới nhất.
Đặc điểm của tiêu chuẩn DIN 2633
DIN 2633 là tiêu chuẩn dành cho mặt bích thép, được sử dụng rộng rãi trong các hệ thống ống dẫn nước, khí, dầu và các chất lỏng khác. Điểm nổi bật của tiêu chuẩn này là khả năng chịu áp lực cao, độ bền cơ học tốt và khả năng chống ăn mòn tuyệt vời. Mặt bích DIN 2633 thường được chế tạo từ các loại thép không gỉ hoặc thép carbon, đảm bảo tính ổn định và an toàn trong quá trình vận hành.
Phân loại mặt bích theo tiêu chuẩn DIN 2633
Các loại mặt bích DIN 2633 phổ biến
Mặt bích DIN 2633 được phân loại dựa trên các yếu tố như kích thước, vật liệu và áp suất làm việc. Các loại mặt bích phổ biến bao gồm mặt bích cổ hàn, mặt bích mù, mặt bích ren và mặt bích trượt. Mỗi loại mặt bích đều có những ưu điểm riêng, phù hợp với từng điều kiện sử dụng cụ thể trong công nghiệp.
Ứng dụng của mặt bích DIN 2633 trong công nghiệp
Mặt bích DIN 2633 được ứng dụng rộng rãi trong các ngành công nghiệp như dầu khí, hóa chất, thực phẩm và dược phẩm. Nhờ vào khả năng chịu áp lực cao và độ bền vượt trội, mặt bích DIN 2633 đảm bảo an toàn và hiệu quả trong các hệ thống ống dẫn chất lỏng và khí. Bên cạnh đó, việc sử dụng mặt bích theo tiêu chuẩn này còn giúp giảm thiểu chi phí bảo trì và tăng tuổi thọ cho hệ thống.
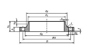
Chi tiết kích thước mặt bích DIN 2633
Đường kính và độ dày tiêu chuẩn của mặt bích
Mặt bích DIN 2633 có các kích thước tiêu chuẩn về đường kính và độ dày, đảm bảo khả năng chịu áp lực và an toàn khi vận hành. Đường kính mặt bích thường dao động từ DN10 đến DN2000, với độ dày từ 11mm đến 58mm tùy thuộc vào áp suất và vật liệu sử dụng. Việc lựa chọn kích thước mặt bích phù hợp là rất quan trọng để đảm bảo hiệu suất và an toàn cho hệ thống.
Bảng kích thước chi tiết cho các loại mặt bích DIN 2633
Dưới đây là bảng kích thước chi tiết cho các loại mặt bích DIN 2633 phổ biến:
Bảng này cung cấp thông tin chi tiết về đường kính, độ dày và các thông số kỹ thuật khác của mặt bích DIN 2633, giúp bạn dễ dàng lựa chọn sản phẩm phù hợp với nhu cầu sử dụng.

Hãy liên hệ với chúng tôi để tìm hiểu thêm về din 2633 flange dimensions phù hợp với nhu cầu của bạn.
So sánh kích thước với các tiêu chuẩn khác
Khi so sánh với các tiêu chuẩn khác như ANSI, JIS hay BS, mặt bích DIN 2633 thường có kích thước và thiết kế khác biệt. Điều này giúp đáp ứng các yêu cầu kỹ thuật đặc thù của từng khu vực và ngành công nghiệp. Tuy nhiên, điểm chung của các tiêu chuẩn này là đều đảm bảo chất lượng và độ an toàn cao cho các ứng dụng công nghiệp.
Lợi ích của việc sử dụng mặt bích DIN 2633
Việc sử dụng mặt bích DIN 2633 mang lại nhiều lợi ích cho các doanh nghiệp và nhà máy. Đầu tiên, tiêu chuẩn này giúp đảm bảo chất lượng và an toàn cho hệ thống, giảm thiểu nguy cơ rò rỉ và hư hỏng. Thứ hai, mặt bích DIN 2633 có độ bền cao, giúp tăng tuổi thọ cho hệ thống và giảm chi phí bảo trì. Cuối cùng, việc sử dụng tiêu chuẩn này còn giúp các doanh nghiệp tuân thủ các quy định và tiêu chuẩn quốc tế, nâng cao uy tín và hình ảnh thương hiệu.
Kết luận
Tóm lại, mặt bích DIN 2633 là một tiêu chuẩn quan trọng trong ngành công nghiệp, mang lại nhiều lợi ích vượt trội về chất lượng và an toàn. Với khả năng chịu áp lực cao và độ bền vượt trội, mặt bích theo tiêu chuẩn này đảm bảo hiệu quả và an toàn cho các hệ thống ống dẫn. Việc hiểu rõ về kích thước và ứng dụng của mặt bích DIN 2633 sẽ giúp các doanh nghiệp và nhà máy lựa chọn sản phẩm phù hợp, tối ưu hóa chi phí và nâng cao hiệu suất vận hành.
Rất mong các bạn quan tâm và theo dõi thepkhonggi.vn để cập nhật thông tin mới nhất về din 2633 flange dimensions!